
兵工学报 ›› 2025, Vol. 46 ›› Issue (S1): 250500-.doi: 10.12382/bgxb.2025.0500
收稿日期:2025-06-12
上线日期:2025-11-06
通讯作者:
ZHANG Xueyan, JIANG Yuanzhi*(
), XIAO Han**(
), CHEN Yashi, CUI Derui
Received:2025-06-12
Online:2025-11-06
摘要:
针对柴电混合能源无人系统中逆变器与柴油发电机组并联运行时的功率分配问题,提出了一种改进的逆变器恒功率控制方法,其有功和无功功率指令分别由频率偏差和频率下垂系数、电压偏差和电压下垂系数计算得到。所提方法将柴油发电机频率和电压的动态变化直接引入逆变器控制,通过对下垂系数的合理选取,实现了逆变器与发电机并联运行时的功率均分,解决了混合能源无人系统逆变器恒功率控制模式下与柴发机组并联运行时,突加、突卸负载可能导致的发电机过载或逆功率问题。通过仿真和物理实验验证了该控制方法的有效性和可行性。
张雪妍, 姜远志, 肖晗, 陈雅仕, 崔德瑞. 柴电混合无人系统功率调配控制策略[J]. 兵工学报, 2025, 46(S1): 250500-.
ZHANG Xueyan, JIANG Yuanzhi, XIAO Han, CHEN Yashi, CUI Derui. Power Distribution Control Strategy of Diesel-electrical Unmanned Systems[J]. Acta Armamentarii, 2025, 46(S1): 250500-.
| 参数 | 数值 |
|---|---|
| 逆变器额定容量SinvN/(kV·A) | 1250 |
| 发电机额定容量SgN/(kV·A) | 937.5 |
| 直流母线额定电压UdcN/V | 700 |
| 交流母线额定线电压UN/V | 390 |
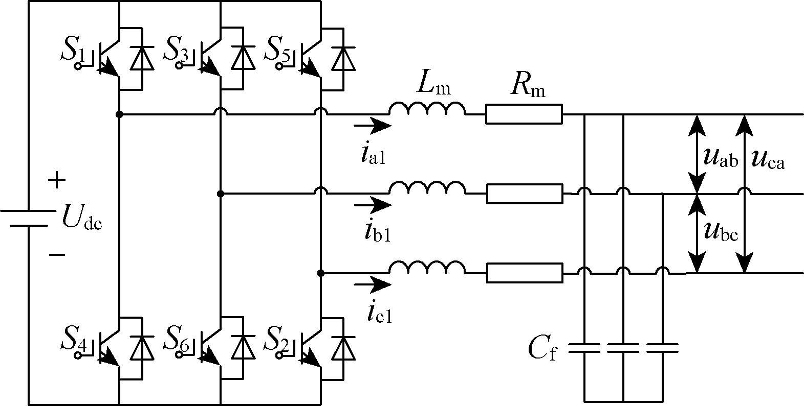
| 逆变器输出滤波电感Lm/mH | 70 |
| 滤波电感等效串联电阻Rm/mΩ | 0.15 |
| 逆变器输出滤波电容Cf/μF | 1000 |
| 滤波电容等效串联电阻Rc/mΩ | 20 |
表1 仿真模型参数
Table 1 Parameters of simulation model
| 参数 | 数值 |
|---|---|
| 逆变器额定容量SinvN/(kV·A) | 1250 |
| 发电机额定容量SgN/(kV·A) | 937.5 |
| 直流母线额定电压UdcN/V | 700 |
| 交流母线额定线电压UN/V | 390 |
| 逆变器输出滤波电感Lm/mH | 70 |
| 滤波电感等效串联电阻Rm/mΩ | 0.15 |
| 逆变器输出滤波电容Cf/μF | 1000 |
| 滤波电容等效串联电阻Rc/mΩ | 20 |
| 参数 | 数值 |
|---|---|
| 逆变器有功PI控制器比例系数Kpp | 0.1 |
| 逆变器有功PI控制器积分系数Kip | 30 |
| 逆变器无功PI控制器比例系数Kpq | 0.5 |
| 逆变器无功PI控制器积分系数Kiq | 20 |
| 发电机电压PI控制器比例系数Kpv | 60 |
| 发电机电压PI控制器积分系数Kiv | 200 |
| 发电机转速PI控制器比例系数Kpn | 80 |
| 发电机转速PI控制器积分系数Kin | 100 |
| 发电机有功—频率下垂系数mp | 0.03 |
| 发电机无功—电压下垂系数nq | 0.03 |
| 柴油机等效惯性时间常数TD/s | 0.1 |
| 限幅环节上限Pmax(Qmax) | 1.1 |
| 限幅环节下限Pmin(Qmin) | 0 |
表2 控制参数
Table 2 Control parameters
| 参数 | 数值 |
|---|---|
| 逆变器有功PI控制器比例系数Kpp | 0.1 |
| 逆变器有功PI控制器积分系数Kip | 30 |
| 逆变器无功PI控制器比例系数Kpq | 0.5 |
| 逆变器无功PI控制器积分系数Kiq | 20 |
| 发电机电压PI控制器比例系数Kpv | 60 |
| 发电机电压PI控制器积分系数Kiv | 200 |
| 发电机转速PI控制器比例系数Kpn | 80 |
| 发电机转速PI控制器积分系数Kin | 100 |
| 发电机有功—频率下垂系数mp | 0.03 |
| 发电机无功—电压下垂系数nq | 0.03 |
| 柴油机等效惯性时间常数TD/s | 0.1 |
| 限幅环节上限Pmax(Qmax) | 1.1 |
| 限幅环节下限Pmin(Qmin) | 0 |
| [1] |
GAO. Uncrewed maritime systems-navy should improve its approach to maximize early investments:GAO-22-104567[R]. Washington DC, US: United States Government Accountability Office, 2022.
|
| [2] |
王亮, 陈建华, 李烨. 一种基于深度学习的无人艇海上目标识别技术[J]. 兵工学报, 2022, 43(增刊2):13-19.
|
|
doi: 10.12382/bgxb.2022.B021 |
|
| [3] |
O’ROURKE. Navy large unmanned surface and undersea vehicles:R45757[R]. Washington DC,WA, USA: Congressional Research Service, 2022.
|
| [4] |
李丹, 于邵祯, 杨华东. 国外水面无人艇环境感知技术前沿进展[J]. 兵工学报, 2024, 45 (增刊2):97-104.
|
|
doi: 10.12382/bgxb.2024.0860 |
|
| [5] |
王东, 纪锋, 艾胜, 等. 无人船综合电力技术应用与发展分析[J]. 中国舰船研究, 2022, 17 (5):257-267.
|
|
|
|
| [6] |
曹红梅, 胡光兰, 李晓东. 国外无人潜航器能源技术发展现状与趋势研究[J]. 数字海洋与水下攻防, 2022, 5 (4):361-368.
|
|
|
|
| [7] |
|
| [8] |
|
| [9] |
曾松林. 直驱风力发电网侧逆变器的双模式运行控制及平滑切换[D]. 秦皇岛: 燕山大学, 2023.
|
|
|
|
| [10] |
|
| [11] |
|
| [12] |
李世春, 苏凌杰, 张志刚. 基于改进粒子群算法的风电场虚拟惯量优化分配方法[J]. 智慧电力, 2023, 51(8):8-14.
|
|
|
|
| [3] |
王同森, 程雪坤. 计及转速限值的双馈风机变下垂系数控制策略[J]. 电力系统保护与控制, 2021, 49(9):29-36.
|
|
|
|
| [14] |
张小莲, 孙啊传, 陈冲, 等. 风电场参与电网一次调频的功率分配策略[J]. 电气工程学报, 2025, 20 (1):309-316.
|
|
|
|
| [15] |
|
| [16] |
王祺, 余鹏, 郭建伟, 等. 风机参与系统一次调频虚拟惯量优化控制[J]. 中国电机工程学报, 2025, 45(16):6368-6379.
|
|
|
|
| [17] |
张祥宇, 朱永健, 付媛. 基于系统惯量需求的风储协同快速频率响应技术[J]. 中国电机工程学报, 2023, 43(14):5415-5429.
|
|
|
|
| [18] |
祁星强, 高迪驹, 吴国栋. 面向船舶微网的虚拟同步发电机并联运行功率分配控制策略[J]. 上海海事大学学报, 2025, 46(1):120-127.
|
|
|
|
| [19] |
郝晓光, 马瑞, 李剑锋, 等. 考虑负荷变化的VSG并网模型预测有功补偿控制方法[J]. 电力系统及其自动化学报, 2024, 36 (10):135-142.
|
|
|
|
| [20] |
|
| [1] | 陈军, 佟龑, 牛轶峰, 于宏渤, 李霓, 张馨予. 模糊认知图研究进展及其在无人系统中的应用[J]. 兵工学报, 2025, 46(7): 240804-. |
| [2] | 王亮, 徐同乐, 肖玉杰, 李烨, 靳子荣, 郑升武. 海洋自主无人系统跨域协同任务规划模型与技术发展研究[J]. 兵工学报, 2024, 45(S2): 1-8. |
| [3] | 王童豪, 彭星光, 胡浩, 徐德民. 海上有人/无人协同系统及其关键技术综述[J]. 兵工学报, 2024, 45(10): 3317-3340. |
| [4] | 范博洋, 赵高鹏, 薄煜明, 吴祥. 多目标空地异构无人系统协同任务分配方法[J]. 兵工学报, 2023, 44(6): 1564-1575. |
| [5] | 关海杰, 王博洋, 王旭睿, 刘海鸥, 陈慧岩. 搭载任务载荷军用地面无人系统发展综述[J]. 兵工学报, 2023, 44(11): 3333-3344. |
| [6] | 卫宁, 王冠. 强化学习在智能无人系统决策管理中的应用[J]. 兵工学报, 2022, 43(S2): 164-169. |
| [7] | 徐同乐, 刘方, 肖玉杰, 王慎, 白一惠, 罗荣. 国外无人反水雷装备及技术发展[J]. 兵工学报, 2022, 43(S2): 64-70. |
| [8] | 龚诗雄, 王旭, 孔国杰, 龚建伟. 多车协同目标跟踪方法[J]. 兵工学报, 2022, 43(10): 2429-2442. |
| [9] | 谭立龙, 王鹏, 仲启媛, 张翠. 基于DSP2812的半导体激光器恒功率系统[J]. 兵工学报, 2020, 41(11): 2266-2273. |
| [10] | 闫之峰, 马晓军, 魏曙光, 王静, 袁东. 交流全电炮控改进型空间矢量脉宽调制[J]. 兵工学报, 2012, 33(7): 816-821. |
| 阅读次数 | ||||||
|
全文 |
|
|||||
|
摘要 |
|
|||||
京公网安备11010802024360号 京ICP备05059581号-4