
兵工学报 ›› 2025, Vol. 46 ›› Issue (S1): 250514-.doi: 10.12382/bgxb.2025.0514
收稿日期:2025-06-17
上线日期:2025-11-06
通讯作者:
YE Zhihao1, ZHANG Xueyan1,*(
), WU Jing2, LUO Xi1
Received:2025-06-17
Online:2025-11-06
摘要:
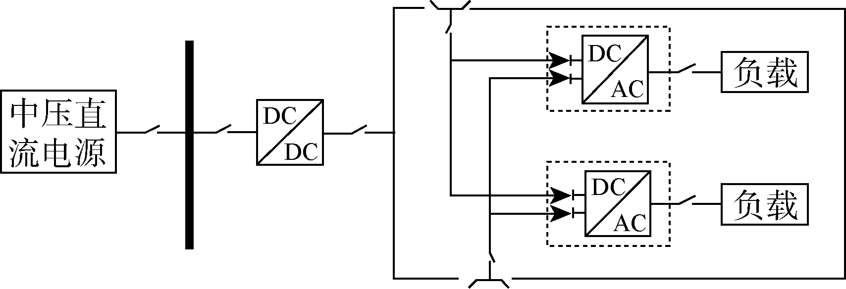
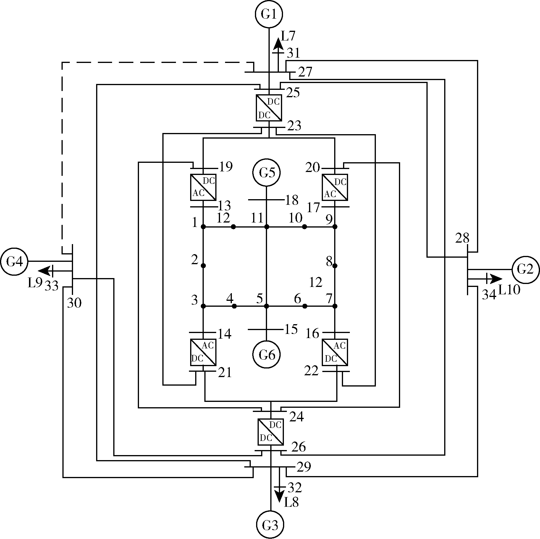
综合电力系统的发电机组、输电线路和配电网络都集成在一个相对狭小的空间里,各个设备之间耦合程度高,使得连锁故障的传播速度更快。针对运行环境相对恶劣、工况转换较为频繁的综合电力系统连锁故障分析,基于模式搜索理论和风险评估理论,建立了无人平台综合电力系统连锁故障风险评估模型,并对典型中压直流综合电力系统进行风险评估,对比分析了运行工况和可靠性参数对系统连锁故障风险的影响,验证了风险评估模型的合理性。以风险评估结果为依据,针对系统薄弱环节,从优化设备结构角度制定了相应的预防策略,电磁暂态时域仿真和实验平台物理实验验证了所提连锁故障预防策略的有效性。
叶志浩, 张雪妍, 吴京, 骆希. 无人平台综合电力系统连锁故障风险评估模型及预防策略[J]. 兵工学报, 2025, 46(S1): 250514-.
YE Zhihao, ZHANG Xueyan, WU Jing, LUO Xi. Risk Assessment Model and Prevention Strategy of Cascading Failure in Unmanned Platform Integrated Power System[J]. Acta Armamentarii, 2025, 46(S1): 250514-.
| 故障线路 编号 | 初始故障风险 值/10-6 | 故障线路 编号 | 初始故障风险 值/10-6 |
|---|---|---|---|
| L41 | 318.61 | L28 | 37.013 |
| L43 | 318.61 | L34 | 36.758 |
| L38 | 37.993 | L27 | 23.428 |
| L30 | 44.436 | L14 | 23.428 |
| L35 | 37.617 | L12 | 3.6235 |
表1 部分初始故障支路风险值
Table 1 Risk values of initial fault lines
| 故障线路 编号 | 初始故障风险 值/10-6 | 故障线路 编号 | 初始故障风险 值/10-6 |
|---|---|---|---|
| L41 | 318.61 | L28 | 37.013 |
| L43 | 318.61 | L34 | 36.758 |
| L38 | 37.993 | L27 | 23.428 |
| L30 | 44.436 | L14 | 23.428 |
| L35 | 37.617 | L12 | 3.6235 |
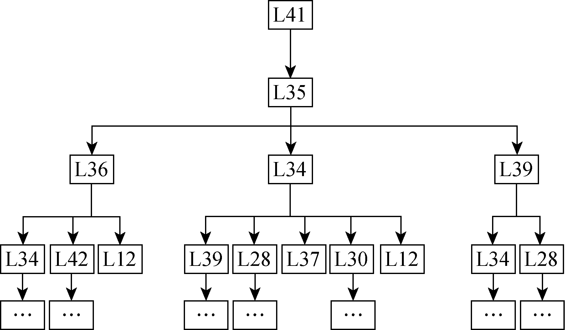
| 序号 | 连锁故障路径 | 发生概率/10-4 | 风险值/10-6 | 频率/Hz |
|---|---|---|---|---|
| 1 | L41-L35-L42-L30 | 1.1283 | 304.82 | 49.55 |
| 2 | L41-L35-L34-L37 | 4.1067 | 277.81 | 49.64 |
| 3 | L41-L35-L34-L39 | 1.6435 | 121.62 | 49.63 |
| 4 | L41-L35-L36-L30 | 1.6236 | 110.42 | 49.46 |
| 5 | L41-L35-L34-L28 | 0.3659 | 25.613 | 49.65 |
| 6 | L41-L35-L39-L28 | 0.1108 | 6.6474 | 49.70 |
| 7 | L41-L35-L39-L28 | 0.3886 | 2.3313 | 49.70 |
| 8 | L41-L35-L34-L30 | 0.3078 | 2.2163 | 49.64 |
| 9 | L41-L35-L34-L12 | 0.3119 | 2.1213 | 49.66 |
| 10 | L41-L35-L36-L12 | 0.3760 | 2.1059 | 49.72 |
表2 初始故障支路为L41的风险评估结果
Table 2 Risk assessment results (initial fault line is L41)
| 序号 | 连锁故障路径 | 发生概率/10-4 | 风险值/10-6 | 频率/Hz |
|---|---|---|---|---|
| 1 | L41-L35-L42-L30 | 1.1283 | 304.82 | 49.55 |
| 2 | L41-L35-L34-L37 | 4.1067 | 277.81 | 49.64 |
| 3 | L41-L35-L34-L39 | 1.6435 | 121.62 | 49.63 |
| 4 | L41-L35-L36-L30 | 1.6236 | 110.42 | 49.46 |
| 5 | L41-L35-L34-L28 | 0.3659 | 25.613 | 49.65 |
| 6 | L41-L35-L39-L28 | 0.1108 | 6.6474 | 49.70 |
| 7 | L41-L35-L39-L28 | 0.3886 | 2.3313 | 49.70 |
| 8 | L41-L35-L34-L30 | 0.3078 | 2.2163 | 49.64 |
| 9 | L41-L35-L34-L12 | 0.3119 | 2.1213 | 49.66 |
| 10 | L41-L35-L36-L12 | 0.3760 | 2.1059 | 49.72 |
| 序号 | 连锁故障路径 | 发生概率/10-4 | 风险值/10-6 | 频率/Hz |
|---|---|---|---|---|
| 1 | L20-L21-L26-L27 | 1.012 | 8.538 | 49.51 |
| 2 | L20-L21-L26-L12 | 1.271 | 5.927 | 49.75 |
| 3 | L20-L26-L14-L2 | 2.271 | 5.882 | 49.59 |
| 4 | L20-L26-L14-L1 | 2.351 | 4.3963 | 49.59 |
| 5 | L20-L21-L14-L15 | 2.147 | 3.8860 | 49.62 |
| 6 | L20-L26-L14-L12 | 1.568 | 2.948 | 49.60 |
| 7 | L20-L26-L12-L8 | 1.195 | 2.735 | 49.67 |
| 8 | L20-L26-L34-L37 | 0.1948 | 1.3285 | 49.59 |
| 9 | L20-L34-L37-L12 | 0.1568 | 0.9031 | 49.62 |
| 10 | L20-L21-L26-L27 | 1.012 | 8.538 | 49.51 |
表3 初始故障支路为L20的风险评估结果
Table 3 Risk assessment results (initial fault line is L20)
| 序号 | 连锁故障路径 | 发生概率/10-4 | 风险值/10-6 | 频率/Hz |
|---|---|---|---|---|
| 1 | L20-L21-L26-L27 | 1.012 | 8.538 | 49.51 |
| 2 | L20-L21-L26-L12 | 1.271 | 5.927 | 49.75 |
| 3 | L20-L26-L14-L2 | 2.271 | 5.882 | 49.59 |
| 4 | L20-L26-L14-L1 | 2.351 | 4.3963 | 49.59 |
| 5 | L20-L21-L14-L15 | 2.147 | 3.8860 | 49.62 |
| 6 | L20-L26-L14-L12 | 1.568 | 2.948 | 49.60 |
| 7 | L20-L26-L12-L8 | 1.195 | 2.735 | 49.67 |
| 8 | L20-L26-L34-L37 | 0.1948 | 1.3285 | 49.59 |
| 9 | L20-L34-L37-L12 | 0.1568 | 0.9031 | 49.62 |
| 10 | L20-L21-L26-L27 | 1.012 | 8.538 | 49.51 |
| 序号 | 连锁故障路径 | 发生概率/10-4 | 风险值/10-6 | 频率/Hz |
|---|---|---|---|---|
| 1 | L41-L35-L42 | 10.464 | 11227 | 0 |
| 2 | L41-L35-L31-L29-L30 | 3.243 | 3414.4 | 0 |
| 3 | L41-L35-L31-L37-L29 | 4.672 | 305.5 | 49.73 |
| 4 | L41-L35-L31-L28-L37 | 4.018 | 269.9 | 49.69 |
表4 初始故障支路为L41的风险评估结果
Table 4 Risk assessment results (initial fault line is L41)
| 序号 | 连锁故障路径 | 发生概率/10-4 | 风险值/10-6 | 频率/Hz |
|---|---|---|---|---|
| 1 | L41-L35-L42 | 10.464 | 11227 | 0 |
| 2 | L41-L35-L31-L29-L30 | 3.243 | 3414.4 | 0 |
| 3 | L41-L35-L31-L37-L29 | 4.672 | 305.5 | 49.73 |
| 4 | L41-L35-L31-L28-L37 | 4.018 | 269.9 | 49.69 |
| 序号 | 连锁故障路径 | 发生概率/10-4 | 风险值/10-6 | 频率/Hz |
|---|---|---|---|---|
| 1 | L20-L21-L39-L28 | 0.912 | 9.6482 | 49.31 |
| 2 | L20-L21-L26-L27 | 1.271 | 9.0927 | 49.85 |
| 3 | L20-L31-L32-L39 | 1.051 | 5.2371 | 49.63 |
| 4 | L20-L26-L14-L1 | 2.447 | 4.4612 | 49.71 |
表5 初始故障支路为L20的风险评估结果
Table 5 Risk assessment results (initial fault line is L20)
| 序号 | 连锁故障路径 | 发生概率/10-4 | 风险值/10-6 | 频率/Hz |
|---|---|---|---|---|
| 1 | L20-L21-L39-L28 | 0.912 | 9.6482 | 49.31 |
| 2 | L20-L21-L26-L27 | 1.271 | 9.0927 | 49.85 |
| 3 | L20-L31-L32-L39 | 1.051 | 5.2371 | 49.63 |
| 4 | L20-L26-L14-L1 | 2.447 | 4.4612 | 49.71 |
| 设备名称 | 主要参数 | |
|---|---|---|
| 中压直流源 | 输入电压 | 0~1000V |
| 控制频率 | 10kHz | |
| DC/DC 变换器 | 额定输入电压 | DC 1000V |
| 额定输出电压 | DC 800V | |
| 单向支路电感 | 1mH | |
| 输出滤波电容 | 400uF | |
| 控制频率 | 10kHz | |
| DC/AC 逆变器 | 额定输入电压 | DC 800V |
| 额定输出电压 | AC 220V(相电压) | |
| 输出负载 (功率因数0.8) | 有功功率 | 0~2kW |
| 无功功率 | 0~1.5kVar | |
表6 主要设备参数
Table 6 Parameters of main devices
| 设备名称 | 主要参数 | |
|---|---|---|
| 中压直流源 | 输入电压 | 0~1000V |
| 控制频率 | 10kHz | |
| DC/DC 变换器 | 额定输入电压 | DC 1000V |
| 额定输出电压 | DC 800V | |
| 单向支路电感 | 1mH | |
| 输出滤波电容 | 400uF | |
| 控制频率 | 10kHz | |
| DC/AC 逆变器 | 额定输入电压 | DC 800V |
| 额定输出电压 | AC 220V(相电压) | |
| 输出负载 (功率因数0.8) | 有功功率 | 0~2kW |
| 无功功率 | 0~1.5kVar | |
| [1] |
王亮, 陈建华, 李烨. 一种基于深度学习的无人艇海上目标识别技术[J]. 兵工学报, 2022, 43 (增刊2):13-19.
|
|
doi: 10.12382/bgxb.2022.B021 |
|
| [2] |
李丹, 于邵祯, 杨华东. 国外水面无人艇环境感知技术前沿进展[J]. 兵工学报, 2024, 45 (增刊2):97-104.
|
|
doi: 10.12382/bgxb.2024.0860 |
|
| [3] |
付立军, 刘鲁锋, 王刚, 等. 我国舰船中压直流综合电力系统研究进展[J]. 中国舰船研究, 2016, 11(1):72-79.
|
|
|
|
| [4] |
王东, 纪锋, 艾胜, 等. 无人船综合电力技术应用与发展分析[J]. 中国舰船研究, 2022, 17 (5):257-267.
|
|
|
|
| [5] |
朱元振. 大规模交直流混联电网高风险连锁故障筛选研究[D]. 济南: 山东大学, 2022.
|
|
|
|
| [6] |
刘雨濛. 电力系统连锁故障风险分析与阻断控制研究[D]. 北京: 华北电力大学(北京), 2022.
|
|
|
|
| [7] |
李政麒, 蔡晔, 曹一家, 等. 美国得州“2·15”停电事故分析及对中国新型电力系统供电充裕度的启示[J]. 电力科学与技术学报, 2022, 37(5):17-24.
|
|
|
|
| [8] |
雷傲宇, 周剑, 梅勇, 等. “3·3”中国台湾电网大停电事故分析及启示[J]. 南方电网技术, 2022, 16(9):90-97.
|
|
|
|
| [9] |
李维波, 郝春昊, 高佳俊, 等. 舰船综合电力系统发展综述[J]. 中国舰船研究, 2020, 15(6):1-11.
|
|
|
|
| [10] |
|
| [11] |
|
| [12] |
|
| [13] |
|
| [14] |
胡福年, 陈灵娟, 陈军. 基于交流潮流的连锁故障建模与鲁棒性评估[J]. 电力系统保护与控制, 2021, 49(18):35-43.
|
|
|
|
| [15] |
|
| [16] |
|
| [17] |
徐迪, 王洪涛. 基于随机潮流和风险价值的含大规模风电系统高风险连锁故障评估[J]. 电网技术, 2019, 43(2):400-409.
|
|
|
|
| [18] |
|
| [19] |
顾雪平, 刘雨濛, 王涛, 等. 基于结构平衡理论的电网自组织临界态辨识[J]. 电工技术学报, 2018, 33(17):4136-4145.
|
|
|
|
| [20] |
孟仲伟, 鲁宗相, 宋靖雁. 中美电网的小世界拓扑模型比较分析[J]. 电力系统自动化, 2004, 28(15):21-24,29.
|
|
|
|
| [21] |
郭明健, 高岩. 基于复杂网络理论的电力网络抗毁性分析[J]. 复杂系统与复杂性科学, 2022, 19(4):1-8.
|
|
|
|
| [22] |
薛士敏, 孙文鹏, 高峰, 等. 基于精确隐性故障模型的输电系统连锁故障风险评估[J]. 电网技术, 2016, 40 (4):1012-1017.
|
|
|
|
| [23] |
程林, 刘满君, 何剑, 等. 基于马尔可夫过程的电力系统连锁故障解析模型及概率计算方法[J]. 电网技术, 2017, 41(1):130-136.
|
|
|
|
| [24] |
丁明, 肖遥, 张晶晶, 等. 基于事故链及动态故障树的电网连锁故障风险评估模型[J]. 中国电机工程学报, 2015, 35(4):821-829.
|
|
|
|
| [25] |
丁明, 钱宇骋, 张晶晶. 考虑多时间尺度的连锁故障演化和风险评估模型[J]. 中国电机工程学报, 2017, 37(20):5902-5912.
|
|
|
|
| [26] |
甘国晓. 电力系统连锁故障分析与紧急控制研究[D]. 杭州: 浙江大学, 2019.
|
|
|
|
| [27] |
周智行, 石立宝. 考虑风电不确定性及系统调频作用的电网连锁故障风险评估[J]. 中国电机工程学报, 2021, 41(10):3305-3316,3657.
|
|
|
| [1] | 马雨薇, 武伟超, 王伟, 牛爱林, 郭志明, 杨建新. 面向无人平台建筑内导航的地图轻量化处理与楼梯区域分类方法[J]. 兵工学报, 2025, 46(6): 240483-. |
| [2] | 李传浩, 明振军, 王国新, 阎艳, 丁伟, 万斯来, 丁涛. 基于多智能体深度强化学习的无人平台箔条干扰末端防御动态决策方法[J]. 兵工学报, 2025, 46(3): 240251-. |
| [3] | 辛大钧, 薛琨. 自然破片战斗部爆炸事故风险评估方法[J]. 兵工学报, 2025, 46(10): 250431-. |
| [4] | 肖扬, 苏波, 纪超, 杨德真, 周桐. 基于STPA和Bow-Tie模型的地面无人平台系统安全分析方法[J]. 兵工学报, 2024, 45(S2): 153-161. |
| [5] | 田洪清, 马明涛, 张博, 郑讯佳. 越野环境下势场搜索树智能车辆路径规划方法[J]. 兵工学报, 2024, 45(7): 2110-2127. |
| [6] | 赵熙俊, 崔星, 李兆冬, 王一全, 杨雨. 编队机动自适应车间距保持控制[J]. 兵工学报, 2023, 44(S2): 44-51. |
| [7] | 陈亚萍, 王楠, 洪华杰, 刘召阳, 闫响达. 面向多无人平台区域监视任务的信息素正向激励栅格方法[J]. 兵工学报, 2023, 44(9): 2859-2870. |
| [8] | 熊光明, 于全富, 胡秀中, 周子杰, 许佳慧. 考虑平台特性的多层建筑物内履带式无人平台运动规划[J]. 兵工学报, 2023, 44(3): 841-850. |
| [9] | 廖自力, 疏歆, 高强, 李嘉麒. 电传动装甲车辆母线电压双通道补偿控制[J]. 兵工学报, 2021, 42(10): 2082-2091. |
| [10] | 李嘉麒, 魏曙光, 廖自力, 臧克茂. 陆战平台全电化关键技术发展综述[J]. 兵工学报, 2021, 42(10): 2049-2059. |
| [11] | 高强, 廖自力, 袁东, 刘春光. 车载综合电力系统关键参数对系统稳定性的影响[J]. 兵工学报, 2020, 41(9): 1727-1735. |
| [12] | 邹渊, 焦飞翔, 崔星, 张旭东, 张彬. 地面无人平台动力源集成技术发展综述[J]. 兵工学报, 2020, 41(10): 2131-2144. |
| [13] | 刘忠泽, 陈慧岩, 崔星, 熊光明, 王羽纯, 陶溢. 无人平台越野环境下同步定位与地图创建[J]. 兵工学报, 2019, 40(12): 2399-2406. |
| [14] | 马晓军, 袁东, 项宇, 魏曙光. 陆战平台综合电力系统及其关键技术研究[J]. 兵工学报, 2017, 38(2): 396-406. |
| 阅读次数 | ||||||
|
全文 |
|
|||||
|
摘要 |
|
|||||
京公网安备11010802024360号 京ICP备05059581号-4